TQ-A6方S型拉壓稱重傳感器
編號:10120
查看:
發布:2023-09-23
TQ-A6方S型拉壓傳感器結構緊湊,綜合精度高,長期穩定性好,優質合金鋼,表面鍍鎳處理。 TQ-A6方S型拉壓傳感器適用于吊鉤秤、配料稱重控制、機械衡的機電改造。
編號:10120
查看:
發布:2023-09-23
TQ-A6方S型拉壓傳感器結構緊湊,綜合精度高,長期穩定性好,優質合金鋼,表面鍍鎳處理。 TQ-A6方S型拉壓傳感器適用于吊鉤秤、配料稱重控制、機械衡的機電改造。
序號 | 產品技術參數 | |
1 | 額定載荷 | 50-5000kg |
2 | 綜合精度 | 0.02%F.S |
3 | 靈敏度 | 2.0mV/V±0.2% |
4 | 輸入阻抗 | 385±15Ω |
5 | 輸出阻抗 | 350±3Ω |
6 | 絕緣阻抗 | ≥5000MΩ |
7 | 補償溫度范圍 | -10~40℃ |
8 | 安全過載 | 150%F.S |
9 | 材質 | 合金鋼 |
10 | 激勵電壓 | 10V(DC) |
11 | 密封等級 | IP66;IP67 |
12 | 接線方式 | 綠……E+(輸入正) 黑……E-(輸入負) 黃……E-(反饋正) 藍……E-(反饋負) 白……S+(信號正) 紅……S-(信號負) 黃(長)......屏蔽線 |

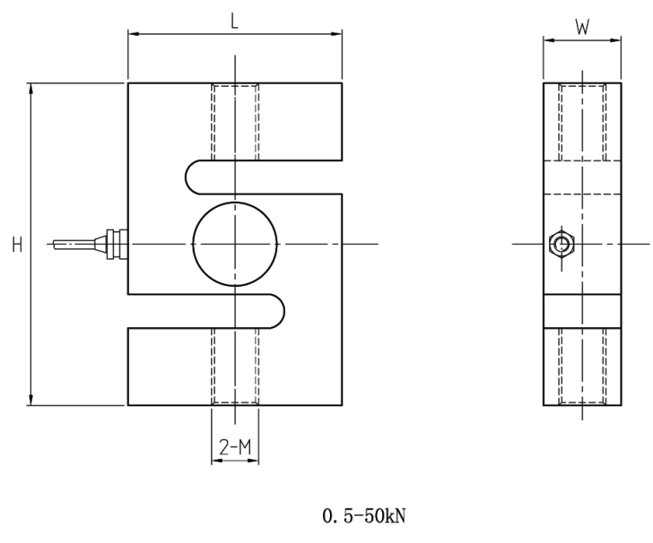
型號 | 量程(kN) | 量程(kg) | H | L | W | M |
TQ-A6 | 0.5-2 | 50-200 | 77 | 50.8 | 18.5 | M10×1 |
3 | 300 | 77 | 50.8 | 24.4 | M10×1 | |
5 | 500 | 77 | 50.8 | 24.4 | M12×1 | |
7-15 | 700-1500 | 77 | 50.8 | 36 | M12×1 | |
20 | 2000 | 86 | 70 | 45 | M16×1.5 | |
30 | 3000 | 100 | 80 | 50 | M18×1.5 | |
50 | 5000 | 130 | 92 | 58 | M20×2 |
圖片與實物略有差異,以實物為準 / 濟南泰欽保留隨時更改、撤消產品型號、規格的權利,恕不另行通知